/* */

Chris  -  Waggon Beleuchtung

 
Riki und Rudi Chris Michi Doris 

zum Vergleich...

Bimz mit 10 weissen leds (100mA)

EW IV (neu) original 4 warmeisse leds (45mA)

EW IV original 4 glühbirnchen (245 mA, jeweils @ 15V)

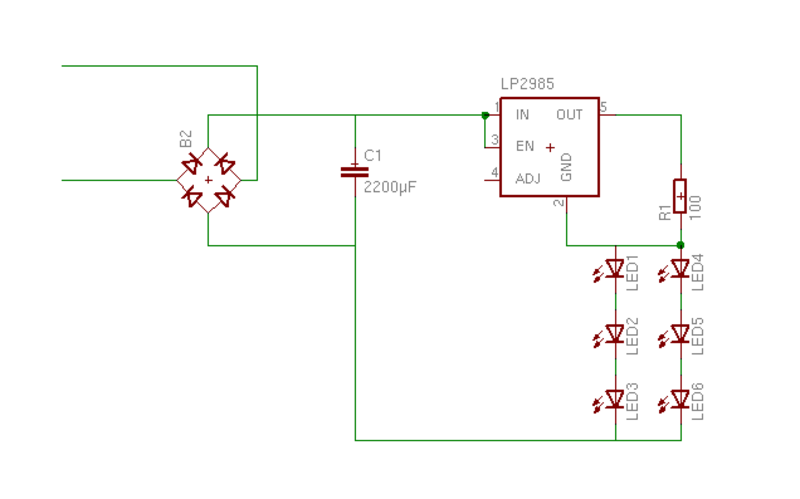
Beleuchtung mit Stromquelle

 

IOUT = 15mA, das ist hell genug

Spannungsregler: 1,5V LDO - Typ, 16V Uin max  -- mit 3 LEDs in Serie darf die Eingangsspannung somit nicht über 16+9V+1,5V steigen

 alt: rscomponents #536-0701P LP2985IM5-1,5
 alt: rscomponents #761-6551 LP2992IM5-1,5
 neu: rs-components #165-3197 LDL1117S12R

 

Gleichrichter: #269-300

warmweisse smd LEDs

2200µF Elko - reicht bei Uin von 15V die LEDs für 0.47s mit 15mA zu versorgen (bei ΔU von 3,2V am elko)

Kiss Mitteleinstiegswagen

original Schaltung: kein Sinn erkennbar ...

 

weitere tuning Ideen:

http://modellbahnen.cadosch.org/jos/forum/4-gartenbahn/3893-wagenenden-mitteleinstiegswagen

http://www.bahnbilder.ch/browse/1/7

R ausgetauscht gegen 33Ohm

2 zusätzliche dioden von '+' zur Basis vom Transistor

... schaut dann in etwa so aus: